| 
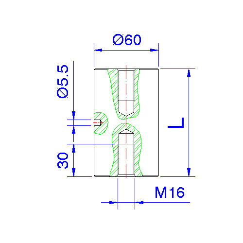
        Zur Erhöhung von Bauteilen und besseren Zugänglichkeit können Spannwellen mit verschiedenen Längen eingesetzt werden | 
        Spannwelle
                                     L =   50 Art.Nr. 250103000001
                                     L =   70 Art.Nr. 250103000002
                                     L = 100 Art.Nr. 250103000003
                                     L = 200 Art.Nr. 250103000004
         | 
        
         
         | 
        Hakenschlüssel zum Anschrauben der Spannwellen | 
        Hakenschlüssel Art.Nr. 250103000005 | 
        
         
        
        
         | 
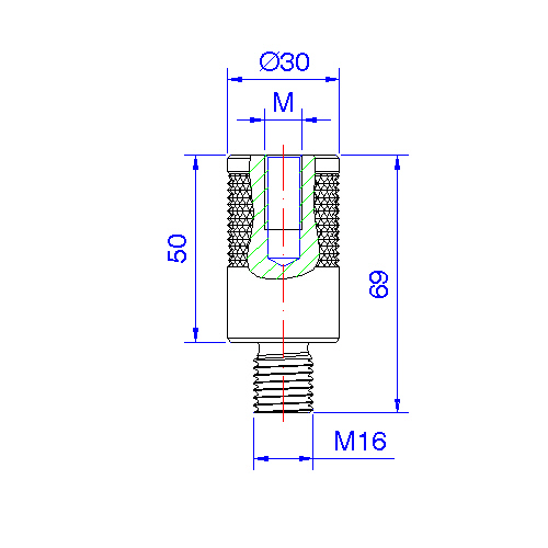
        Adapter von M8 - M16 werden in die Spannwellen geschraubt und erweitern somit die Spannmöglichkeiten | 
        Adapter
                                     M   8 Art.Nr. 250103000006
                                     M 10 Art.Nr. 250103000007
                                     M 12 Art.Nr. 250103000008
                                     M 16 Art.Nr. 250103000009
         | 
        
         
        
        
         | 
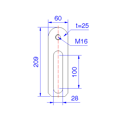
        Mit den Grundblechen 28-M16 erreicht man alle Punkte auf demAdlatec - Aufspanntisch "S28" | 
        Grundblech 28-M16 Art.Nr. 250103000010 | 
        
         
        
        
         | 
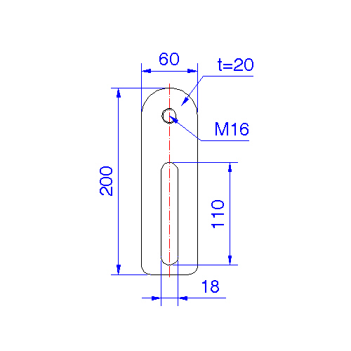
        Mit dem Grundblech 18-M16 erreicht man alle Punkte auf demAdlatec - Aufspanntisch "T" | 
        Grundblech 18-M16 Art.Nr. 250103000011 | 
        
         
        
        
         | 
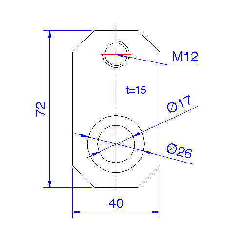
        Die Klemmplatte erweitert die Spannmöglichkeiten. Durch die geringe Aufbauhöhe werden Störkanten vermieden. | 
        Klemmplatte Art.Nr. 250103000012 | 
        
         
        
        
         | 
        Die "Klemmplatte rund" klemmt die Werkstücke zwischen Klemmplatte und Spannwelle. Dadurch ergibt sich eine kompakte Spannmöglichkeit. Die Spannhöhe wird mit der Gegendruckschraube eingestellt | 
        Klemmplatte rund Art.Nr. 250103000013 | 
 
        
         
        
        
        
         | 
        Die "Schnellspannplatte" klemmt die Werkstücke zwischen Schnellspannplatte und Spannwelle. Durch drehen der Klemmplatte um 90° kann das Werkstück schnell gespannt oder entnommen werden. Die Spannhöhe wird mit der Gegendruckschraube eingestellt. | 
        Schnellspannplatte Art.Nr. 250103000014 |